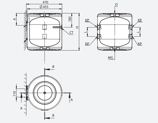
Malé vertikálne nástenné akumulačné nádoby radu BWB služia na použitie s tepelnými čerpadlami vybavené bočnými pripojeniami.
| BWB 40 | ||
| Kapacita | dm³ | 40 |
| Spojovacie potrubie | KP | vnut. 1 ¼” |
| Teplotný senzor zatvorený | CT | 3/8 |
| Elektrický ohrievač | MG | vnut. 1 ½” |
| Vetrací otvor | O | vnut. 1/2 |
| Typ nádrže | oceľ - surová zvnútra | |
| Tepelná izolácia | polyuretanová pena | |
| Hrúbka tepelnej izolácie | mm | 25 |
| Straty v pohotovostnom režime | W | 34 |
| Vonkajší kryt | práškovo lakovaný plechový kryt | |
|
Prevádzkové parametre nádrže: Maximálny prevádzkový tlak Maximálna prevádzková teplota |
pr = 0,3 MPa tr = 80 °C |
|
| H | mm | 490 |
| L | mm | 120 |
| A | mm | 160 |
| Hmotnosť | kg | 22 |
EAN: 5903538229057
Katalogové čislo: BWB-069-04-001